Product Summary
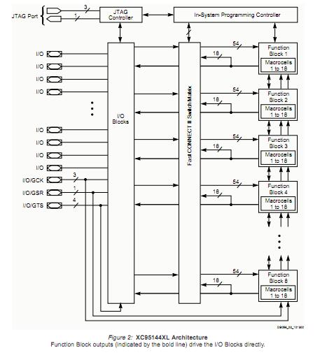
The XC95144XLTQG144-10C is a 3.3V CPLD targeted for high-performance, low-voltage applications in leading-edge communications and computing systems. The XC95144XLTQG144-10C is comprised of eight 54V18 Function Blocks, providing 3,200 usable gates with propagation delays of 5 ns.
Parametrics
XC95144XLTQG144-10C absolute maximum ratings: (1)VCC Supply voltage relative to GND: –0.5 to 4.0 V; (2)VIN Input voltage relative to GND: –0.5 to 5.5 V; (3)VTS Voltage applied to 3-state output: –0.5 to 5.5 V; (4)TSTG Storage temperature (ambient): –65 to +150 ℃; (5)TSOL Maximum soldering temperature (10s @ 1/16 in. = 1.5 mm): +220 ℃; (6)TJ Junction temperature: +150 ℃.
Features
XC95144XLTQG144-10C features: (1)5 ns pin-to-pin logic delays; (2)System frequency up to 178 MHz; (3)144 macrocells with 3,200 usable gates; (4)Available in small footprint packages; (5)Optimized for high-performance 3.3V systems; (6)Advanced system features; (7)Fast concurrent programming; (8)Slew rate control on individual outputs; (9)Enhanced data security features; (10)Excellent quality and reliability; (11)Pin-compatible with 5V-core XC95144 device in the 100-pin TQFP package.
Diagrams

![]() |
![]() XC9500 |
![]() Other |
![]() |
![]() Data Sheet |
![]() Negotiable |
|
||||||||||||||||
![]() |
![]() XC9500XV |
![]() Other |
![]() |
![]() Data Sheet |
![]() Negotiable |
|
||||||||||||||||
![]() |
![]() XC9501 |
![]() Other |
![]() |
![]() Data Sheet |
![]() Negotiable |
|
||||||||||||||||
![]() |
![]() XC9502 |
![]() Other |
![]() |
![]() Data Sheet |
![]() Negotiable |
|
||||||||||||||||
![]() |
![]() XC9503 |
![]() Other |
![]() |
![]() Data Sheet |
![]() Negotiable |
|
||||||||||||||||
![]() |
![]() XC9503B093AR-G |
![]() |
![]() IC REG BUCK ADJ 1A DL 10MSOP |
![]() Data Sheet |
![]()
|
|
||||||||||||||||
(China (Mainland))









