Product Summary
The G8QE-1A-12VDC is a Sub–Miniature Automotive PCB Relay.
Parametrics
G8QE-1A-12VDC absolute maximum ratings: (1)Rated voltage: 12 VDC; (2)Operating voltage (max.): 16 VDC; (3)Coil resistance: 210Ω ± 10%; (4)Pull in voltage (cold start) at +20℃ (max.): 7.3V DC; at +80℃ (max.): 9.0V DC; (5)Drop–out voltage at +20℃ (min.): 0.9V DC; (6)Continuous carry current flow time (16V at 80℃) (max.): 15min; (7)Operate time (max.): 10 ms; (8)Release time (max.): 5 ms; (9)Operating ambient temperature: –40 to +85℃; (10)Mechanical life (min.): 10,000,000 cycles (at frequency of 18,000 operations/hour); (11)Electrical life (resistive load) (min.): 100,000 cycles (14V; Continuous carry current); (12)Weight: 5.5g.
Features
G8QE-1A-12VDC features: (1)Compact size; (2)High performance PCB relay; (3)Fully sealed construction; (4)Next generation general purpose automotive PCB relay; (5)Fully automated assembly.
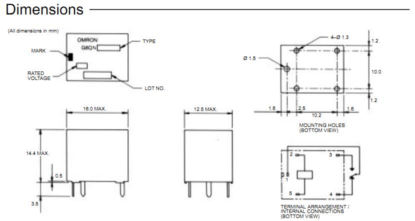
Diagrams

![]() |
![]() G8QE-1A DC12 |
![]() |
![]() RELAY AUTOMOTIVE SPST 10A 12V |
![]() Data Sheet |
![]()
|
|
||||||
(China (Mainland))








