Product Summary
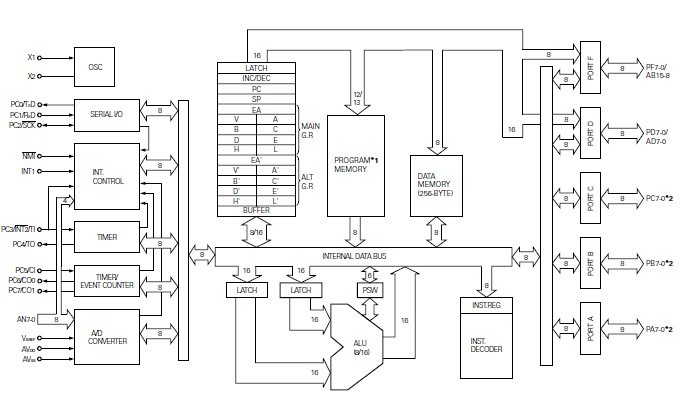
The UPD78C10AGQ is an 8-bit microprocessor. It is a ROM-less product and can directly address the external memory up to 64k bytes. The UPD78C10AGQ is operated at low power consumption, because it has a CMOS construction. Also, UPD78C10AGQ can hold data with low power consumption by using standby function.
Parametrics
UPD78C10AGQ absolute maximum ratings: (1)Power supply voltage AVDD: AVSS to VDD +0.5 V; (2)Input voltage VI: –0.5 to VDD +0.5 V; (3)Output voltage VO: –0.5 to VDD +0.5 V; (4)All output pins: 4.0 mA; (5)A/D converter reference input voltage: –0.5 to AVDD +0.3V; (6)Operating ambient temperature TA: –40 to +85 ℃; (7)Storage temperature Tstg –65 to +150 ℃.
Features
UPD78C10AGQ features: (1)Abundant 159 types of instructions; (2)On-chip RAM : 256W*8; (3)High-precision 8-bit A/D converter : 8 analog inputs; (4)General-purpose serial interface : Asynchronous, synchronous, I/O interface mode; (5)Multi-function 16-bit timer/event counter; (6)Two 8-bit timers; (7)I/O lines : 32 (mPD78C10A), 44 (mPD78C11A, 78C12A); (8)Interrupt function (external - 3, internal - 8) : Non-maskable interrupt*1, maskable interrupt*10; (9)Standby function : HALT mode, hardware/software STOP mode; (10)Zero-cross detection function: (2 inputs).
Diagrams

![]() |
![]() UPD70008AG-4 |
![]() Other |
![]() |
![]() Data Sheet |
![]() Negotiable |
|
||||
![]() |
![]() UPD70236AGD-10-5BB |
![]() Other |
![]() |
![]() Data Sheet |
![]() Negotiable |
|
||||
![]() |
![]() UPD7030025AGC-25 |
![]() Other |
![]() |
![]() Data Sheet |
![]() Negotiable |
|
||||
![]() |
![]() UPD703014A |
![]() Other |
![]() |
![]() Data Sheet |
![]() Negotiable |
|
||||
![]() |
![]() UPD703014AY |
![]() Other |
![]() |
![]() Data Sheet |
![]() Negotiable |
|
||||
![]() |
![]() UPD703015A |
![]() Other |
![]() |
![]() Data Sheet |
![]() Negotiable |
|
||||
(China (Mainland))








