Product Summary
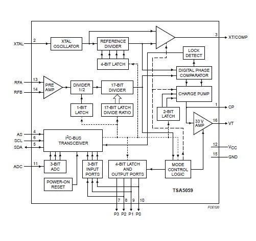
The TSA5059TS is a single chip PLL frequency synthesizer designed for satellite and terrestrial tuning systems up to 2.7 GHz. Digital information concerning the input ports and the ADC can be read out of the TSA5059TS on the SDA line (one status byte) during a READ operation. A flag is set when the loop is in-lock and is read during a READ operation, as well as the Power-on reset flag. The device has four programmable addresses, programmed by applying a specific voltage at pin AS, enabling the use of multiple synthesizers in the same system.
Parametrics
TSA5059TS absolute maximum ratings: (1)VCC supply voltage: -0.3 to +6.0 V; (2)V(n) voltage on pins: -0.3 VCC + 0.3 V; (3)IO(SDA) serial data output current: -1.0 to +10.0 mA; (4)IO(Px) P0, P1, P2 and P3 output current port switched on: -1.0 +20.0 mA; (5)IO(SPx) sum of currents in P0, P1, P2 and P3: 50.0 mA; (6)Tamb ambient temperature: -20 +85 ℃; (7)Tstg storage temperature: -40 +150 ℃; (8)Tj(max) maximum junction temperature: - 150 ℃; (9)tsc short-circuit time each pin to VCC or GND : 10 s.
Features
TSA5059TS features: (1)Complete 2.7 GHz single chip system; (2)Optimized for low phase noise; (3)Selectable divide-by-two prescaler; (4)Operation up to 2.7 GHz with and without divide-by-two; (5)prescaler; (6)Selectable reference divider ratio; (7)Compatible with UK-DTT (Digital Terrestrial Television); (8)offset requirements; (9)Selectable crystal/comparison frequency output; (10)Four selectable charge pump currents; (11)Four selectable I2C-bus addresses; (12)Standard and fast mode I2C-bus; (13)I2C-bus compatible with 3.3 and 5 V microcontrollers; (14)5-level Analog-to-Digital Converter (ADC); (15)Low power consumption; (16)33 V tuning voltage drive; (17)Three I/O ports and one output port.
Diagrams

![]() |
![]() TSA5055T |
![]() Other |
![]() |
![]() Data Sheet |
![]() Negotiable |
|
||||
![]() |
![]() TSA5059 |
![]() Other |
![]() |
![]() Data Sheet |
![]() Negotiable |
|
||||
![]() |
![]() TSA5059A |
![]() Other |
![]() |
![]() Data Sheet |
![]() Negotiable |
|
||||
![]() |
![]() TSA5059ATS/C1,118 |
![]() |
![]() IC SYNTH FREQ 2.7GHZ 16-SSOP |
![]() Data Sheet |
![]() Negotiable |
|
||||
![]() |
![]() TSA5060A |
![]() Other |
![]() |
![]() Data Sheet |
![]() Negotiable |
|
||||
![]() |
![]() TSA5060AT/C1,518 |
![]() |
![]() IC SYNTH FREQ 1.3GHZ 16-SOIC |
![]() Data Sheet |
![]() Negotiable |
|
||||
(China (Mainland))









