Product Summary
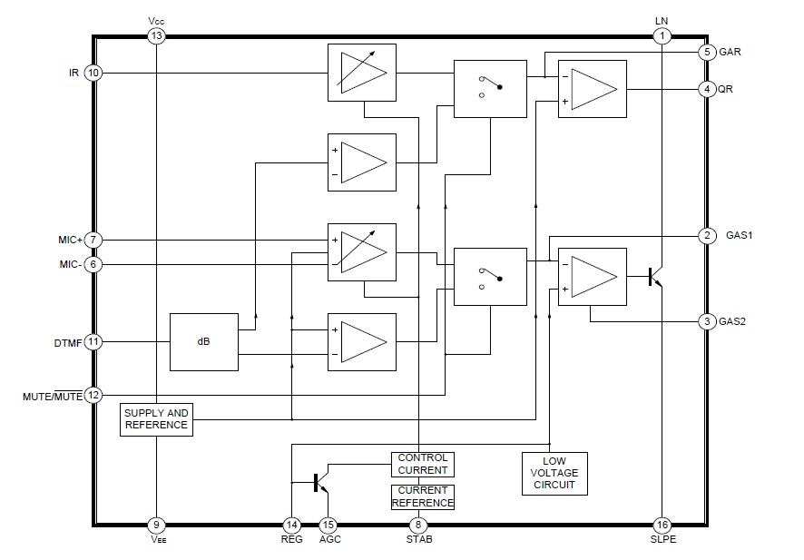
The TEA1062NL is a bipolar integrated circuit performing all speech and line interface function, required in the fully electronic telephone sets. The TEA1062NL performs electronic switching between dialing speech. The TEA1062NL is able to operate down to D.C. line voltage of 1.6V (with reduced performance) to facilitate the use of more telephone sets in parallel.
Parametrics
TEA1062NL absolute maximum ratings: (1)Positive Continuous Line Voltage VLN: 12 V; (2)Repetitive Line Voltage During Switch-On Or Line Interruption; (3)VLN(RL): 13.2V; (4)Repetitive Peak Line Voltage for a 1 ms Pulse/5s(R10=13Ω,; (5)R9=20Ω(see Fig.15)) VLN(RPL): 28V; (6)Line Current (Note1) (R9=20Ω) ILINE: 140 mA; (7)Voltage on All Other PinsVI(-): -0.7 V; (8)Total Power Dissipation (Note2) (R9=20Ω) PD: 640 mW; (9)Junction Temperature TJ: +125 °C; (10)Operating Ambient Temperature Range TOPR: -25 ~ +75 °C; (11)Storage Temperature Range TSTG: -40 ~ +125 °C.
Features
TEA1062NL features: (1)Low d.c. line voltage; operates down to 1.6V (excluding polarity guard).; (2)Voltage regulator with adjustment static resistance.; (3)Provides supply with limited current for external circuitry.; (4)Symmetrical high-impedance inputs (64kΩ) for dynamic, magnetic or piezoelectric microphones.; (5)Asymmetrical high-impedance inputs (32kΩ) for electrets microphones.; (6)DTMF signal input with confidence tone.; (7)Mute input for pulse or DTMF dialing.; (8)Receivering amplifier for several types of earphones.; (9)Large amplification setting range on microphone and earpiece amplifiers.; (10)Line loss compensation facility, line current depedant (microphone and earpiece amplifiers).; (11)Gain control adaptable to exchange supply.; (12)Possibility to adjust the d.c. line voltage.
Diagrams

(China (Mainland))






