Product Summary
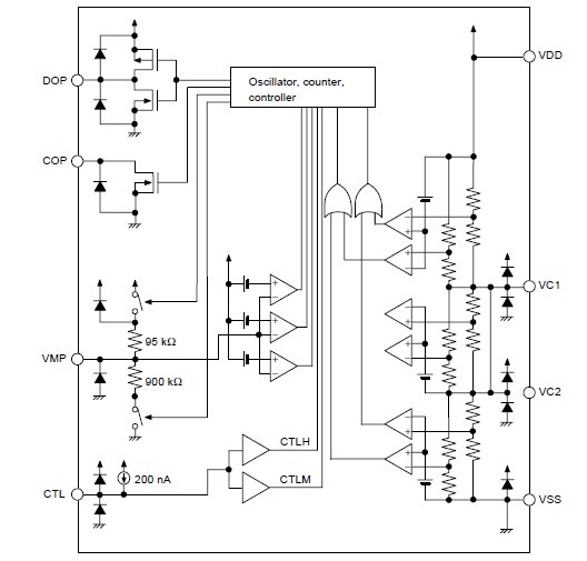
The S-8253AAA-T8T1GZ is a protection IC for 2-serial or 3-serial cell lithium-ion rechargeable batteries and include high-accuracy voltage detectors and delay circuits. The S-8253AAA-T8T1GZ is suitable for protecting lithium-ion battery packs from overcharge, overdischarge and overcurrent.
Parametrics
S-8253AAA-T8T1GZ absolute maixmum ratings: (1)Input voltage between VDD and VSS VDS: VSS -0.3 to VSS + 26 V; (2)Input pin voltage VIN VC1, VC2 VSS-0.3 to VDD + 0.3 V; (3)VMP pin input voltage VVMP VMP: VSS-0.3 to VSS + 26 V; (4)DOP pin output voltage VDOP DOP: VSS -0.3 to VDD + 0.3 V; (5)COP pin output voltage VCOP COP: VSS-0.3 to VVMP + 0.3 V; (6)CTL input pin voltage VIN_CTL CTL: VSS -0.3 to VDD + 0.3 V; (7)Power dissipation PD: 300 (When not mounted on board) mW; (8)Operating ambient temperature Topr: -40 to + 85 ℃; (9)Storage temperature Tstg: -40 to + 125 ℃.
Features
S-8253AAA-T8T1GZ features: (1)High-accuracy voltage detection for each cell; (2)Three-level overcurrent detection (Including load short circuiting detection); (3)Delay times (Overcharge, Overdischarge, Overcurrent) are generated by an internal circuit. (External capacitors are; (4)unnecessary).; (5)Charge / discharge operation can be inhibited via the control pin.; (6)0 V battery charge function available / unavailable are selectable.; (7)High-voltage withstand devices Absolute maximum rating: 26 V; (8)Wide operating voltage range: 2 to 24 V; (9)Wide operating temperature range: -40 to +85 ℃; (10)Low current consumption; (11)Lead-free products.
Diagrams

| Image | Part No | Mfg | Description | ![]() |
Pricing (USD) |
Quantity | ||||||||||||
|---|---|---|---|---|---|---|---|---|---|---|---|---|---|---|---|---|---|---|
![]() |
![]() S-8253AAA-T8T1GZ |
![]() Seiko Instruments |
![]() Battery Management 4.35V 2-Cell Serial |
![]() Data Sheet |
![]() Negotiable |
|
||||||||||||
| Image | Part No | Mfg | Description | ![]() |
Pricing (USD) |
Quantity | ||||||||||||
![]() |
![]() S-82 |
![]() CCS |
![]() Development Software ACE KIT W/MACHX PCWH |
![]() Data Sheet |
![]() Negotiable |
|
||||||||||||
![]() |
![]() S-8201-1-R |
![]() Cooper Bussmann |
![]() Fuseholders, Clips, & Hardware FUSEBLOCK |
![]() Data Sheet |
![]()
|
|
||||||||||||
![]() |
![]() S-8201-2-R |
![]() Cooper Bussmann |
![]() Fuseholders, Clips, & Hardware BUSS FUSEBLOCK |
![]() Data Sheet |
![]()
|
|
||||||||||||
![]() |
![]() S-8202-12-R |
![]() Cooper Bussmann |
![]() Fuseholders, Clips, & Hardware BUSS FUSEBLOCK |
![]() Data Sheet |
![]()
|
|
||||||||||||
![]() |
![]() S-8202-1-R |
![]() Cooper Bussmann |
![]() Fuseholders, Clips, & Hardware BUSS FUSEBLOCK |
![]() Data Sheet |
![]()
|
|
||||||||||||
![]() |
![]() S-8202-1X |
![]() Cooper Bussmann |
![]() Fuseholders, Clips, & Hardware BREAKAWAY FUSE BLOCK |
![]() Data Sheet |
![]()
|
|
||||||||||||
(China (Mainland))










