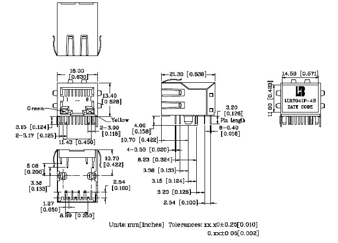
Product Summary
The LU1T041F-43 is a single RJ45 connector module with integrated 10/100 base-TX magnetics and LEDs.
Parametrics
LU1T041F-43 Electrical Specifications: (1)OCL (uH Min)@ 100KHz/0.1Vwith 8mA DC Bias: 350; (2)CMR(dB Min): 1-30MHz: -30; 30-60MHz: -25; 60-125MHz: -20; (3)HI-POT(Vrms): 1500; (4)Insertion Loss(dB Max), 0.3-100MHz: -1.15; (5)Return Loss(dB Min): -16 to -10MHz; (6)Cross talk(dB Min): 30-60MHz: -35; 60-100MHz: -30.
Features
LU1T041F-43 features: (1)RJ-45 connector integrated with transformer/impedanceresistor/high voltage capacitor; (2)Size same as RJ-45 connector to save PCB board space; (3)Reduced EMI radiation to improve EMI performance; (4)Design for 10/100 BASE transmission over UTP-5 cable; (5)Operating temperature range: 0℃ to +70℃; (6)Storage temperature range: -25℃ to +85℃; (7)Recommended panel.
Diagrams

(China (Mainland))






