Product Summary
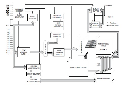
The IS42S32200E-6TL1 is a 512K Bits × 32 Bits × 4 Banks (64-MBIT) synchronous dynamic ram. It achieves highspeed data transfer using pipeline architecture. All inputs and outputs signals refer to the rising edge of the clock input.
Parametrics
IS42S32200E-6TL1 absolute maxing ratings: (1)VDD MAX Maximum Supply Voltage: –1.0 to +4.6 V; (2)VDDQ MAX Maximum Supply Voltage for Output Buffer: –1.0 to +4.6 V; (3)VIN Input Voltage: –1.0 to +4.6 V; (4)VOUT Output Voltage: –1.0 to +4.6 V; (5)PD MAX Allowable Power Dissipation: 1 W; (6)ICS Output Shorted Current: 50 mA; (7)TOPR Operating Temperature Com.: 0 to +70℃; Ind.: –40 to +85℃; (8)TSTG Storage Temperature: –55 to +150℃.
Features
IS42S32200E-6TL1 features: (1)Clock frequency: 200, 166, 143, 133 MHz; (2)Fully synchronous; all signals referenced to a positive clock edge; (3)Internal bank for hiding row access/precharge; (4)Single 3.3V power supply; (5)LVTTL interface; (6)Programmable burst length: (1, 2, 4, 8, full page); (7)Programmable burst sequence: Sequential/Interleave; (8)Self refresh modes; (9)4096 refresh cycles every 16ms or 64 ms.
Diagrams

![]() |
![]() IS421 |
![]() Other |
![]() |
![]() Data Sheet |
![]() Negotiable |
|
||||
![]() |
![]() IS422 |
![]() Other |
![]() |
![]() Data Sheet |
![]() Negotiable |
|
||||
![]() |
![]() IS42G32256 |
![]() Other |
![]() |
![]() Data Sheet |
![]() Negotiable |
|
||||
![]() |
![]() IS42LS16800A |
![]() Other |
![]() |
![]() Data Sheet |
![]() Negotiable |
|
||||
![]() |
![]() IS42LS32400A |
![]() Other |
![]() |
![]() Data Sheet |
![]() Negotiable |
|
||||
![]() |
![]() IS42LS81600A |
![]() Other |
![]() |
![]() Data Sheet |
![]() Negotiable |
|
||||
(China (Mainland))








