Product Summary
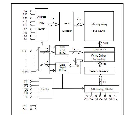
The BS616LV1010ECG70 is a high performance, very low power CMOS Static Random Access Memory organized as 65,536 words by 16 bits and operates from a wide range of 2.4V to 5.5V supply voltage. The BS616LV1010 has an automatic power down feature, reducing the power consumption significantly when chip is deselected. The BS616LV1010 is available in the JEDEC standard 44-pin TSOP Type II and 48-pin BGA package.
Parametrics
BS616LV1010ECG70 absolute maximum ratings: (1)Terminal Voltage with Respect to GND: -0.5 to Vcc+0.5V; (2)Temperature Under Bias:-40 to +125℃; (3)Storage Temperature:-60 to +150℃; (4)Power Dissipation:1.0 W; (5)DC Output Current:20 mA.
Features
BS616LV1010ECG70 features: (1)Very low operation voltage: 2.4 to 5.5V; (2)Very low power consumption; (3)High speed access time:-70ns to 70ns (Max.) at Vcc = 3.0V; (4)Automatic power down when chip is deselected; (5)Three state outputs and TTL compatible; (6)Fully static operation; (7)Data retention supply voltage as low as 1.5V; (8)Easy expansion with CE and OE options; (9)I/O Configuration x8/x16 selectable by LB and UB pin.
Diagrams

![]() |
![]() BS61 |
![]() Hammond Manufacturing |
![]() Battery Holders, Snaps & Contacts 1599 Battery Kit |
![]() Data Sheet |
![]()
|
|
||||||||||||
![]() |
![]() BS616LV1010 |
![]() Other |
![]() |
![]() Data Sheet |
![]() Negotiable |
|
||||||||||||
![]() |
![]() BS616LV1010DC-70 |
![]() Other |
![]() |
![]() Data Sheet |
![]() Negotiable |
|
||||||||||||
![]() |
![]() BS616LV1011 |
![]() Other |
![]() |
![]() Data Sheet |
![]() Negotiable |
|
||||||||||||
![]() |
![]() BS616LV1012 |
![]() Other |
![]() |
![]() Data Sheet |
![]() Negotiable |
|
||||||||||||
![]() |
![]() BS616LV1013 |
![]() Other |
![]() |
![]() Data Sheet |
![]() Negotiable |
|
||||||||||||
(China (Mainland))









