Product Summary
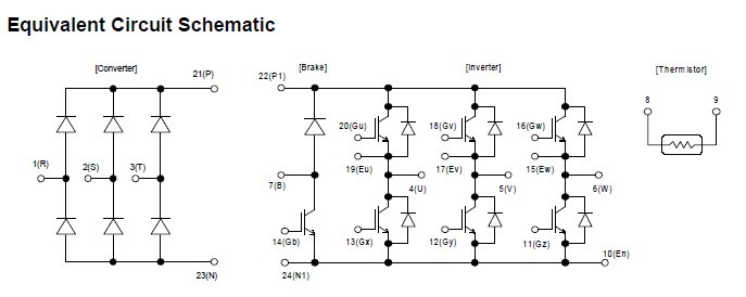
The 7MBR10SA120-50 is an IGBT module(S series). It is widely used as inverter for motor drive, AC and DC servo drive amplifier, uninterruptible power supply.
Parametrics
7MBR10SA120-50 absolute maximum ratings: (1)Collector-Emitter voltage, VCES: 1200V; (2)Gate-Emitter voltage, VGES: ±20V; (3)Collector current, IC: 15A; (4)Collector power dissipation, PC: 75W; (5)Collector-Emitter voltage, VCES: 1200V; (6)Gate-Emitter voltage, VGES: ±20V.
Features
7MBR10SA120-50 features: (1)Low VCE(sat); (2)Compact package; (3)P.C. board mount; (4)Converter diode bridge, Dynamic brake circuit.
Diagrams

![]() |
![]() 7MBR 10SA-120 |
![]() Other |
![]() |
![]() Data Sheet |
![]() Negotiable |
|
||||
![]() |
![]() 7MBR100SB060 |
![]() Other |
![]() |
![]() Data Sheet |
![]() Negotiable |
|
||||
![]() |
![]() 7MBR100SD060 |
![]() Other |
![]() |
![]() Data Sheet |
![]() Negotiable |
|
||||
![]() |
![]() 7MBR100U4B120 |
![]() Other |
![]() |
![]() Data Sheet |
![]() Negotiable |
|
||||
![]() |
![]() 7MBR10NE120 |
![]() Other |
![]() |
![]() Data Sheet |
![]() Negotiable |
|
||||
![]() |
![]() 7MBR10SA120 |
![]() Other |
![]() |
![]() Data Sheet |
![]() Negotiable |
|
||||
(China (Mainland))








