Product Summary
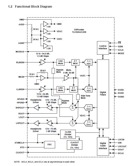
The TLV320AIC23BPWR is a high-performance stereo audio codec with highly integrated analog functionality. The analog-to-digital converters (ADCs) and digital-to-analog converters (DACs) within the TLV320AIC23BPWR use multibit sigma-delta technology with integrated oversampling digital interpolation filters. The TLV320AIC23BPWR is the ideal analog input/output (I/O) choice for portable digital audio-player and recorder applications, such as MP3 digital audio players.
Parametrics
TLV320AIC23BPWR absolute maximum ratings: (1)Supply voltage range, AVDD to AGND, DVDD to DGND, BVDD to DGND, HPVDD to HPGND: -0.3 V to + 3.63 V; (2)Analog supply return to digital supply return, AGND to DGND: -0.3 V to + 3 .63 V; (3)Input voltage range, all input signals: Digita: -0.3 V to DVDD + 0.3 V; (4)Analog: -0.3 V to AVDD + 0.3 V; (5)Case temperature for 10 seconds: 240℃; (6)Operating free-air temperature range, TA: Commercial: -10℃ to 70℃; (7)Industrial: -40℃ to 85℃; (8)Storage temperature range, Tstg: -65℃ to 150℃.
Features
TLV320AIC23BPWR features: (1)High-Performance Stereo Codec; (2)Software Control Via TI McBSP-Compatible Multiprotocol Serial Port; (3)Audio-Data Input/Output Via TI McBSP-Compatible Programmable Audio Interface; (4)Integrated Total Electret-Microphone Biasing and Buffering Solution; (5)Stereo-Line Inputs.
Diagrams

| Image | Part No | Mfg | Description | ![]() |
Pricing (USD) |
Quantity | ||||||||||||
|---|---|---|---|---|---|---|---|---|---|---|---|---|---|---|---|---|---|---|
![]() |
![]() TLV320AIC23BPWR |
![]() Texas Instruments |
![]() Audio CODECs Lo-Pwr Highly Integrated Codec |
![]() Data Sheet |
![]()
|
|
||||||||||||
![]() |
![]() TLV320AIC23BPWRG4 |
![]() Texas Instruments |
![]() Audio CODECs L-P Stereo CODEC with HP Amplifier |
![]() Data Sheet |
![]()
|
|
||||||||||||
(China (Mainland))









