Product Summary
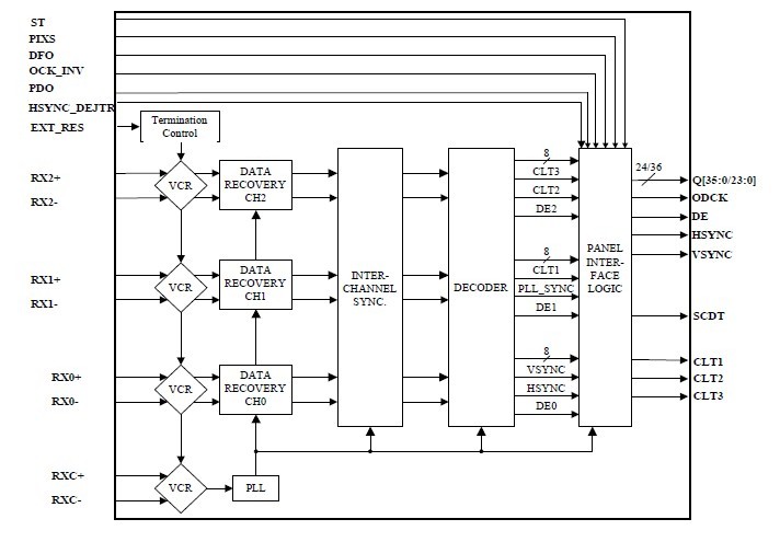
The SII141BCT80 is a panellink digital receiver. It uses PanelLink Digital technology to support displays ranging from VGA to High Refresh XGA (25-86 MHz), which is ideal for LCD desktop monitor applications. With a flexible single or dual pixel out interface and selectable output drive, the SII141BCT80 receiver supports up to true color panels (24 bit/pixel, 16.7M colors) in 1 pixel/clock mode(18 bit/pixel in 2 pixel/clock mode). PanelLink also features an inter-pair skew tolerance up to 1 full input clock cycle. The SII141BCT80 is pin for pin compatible with the SiI 141 but incorporates a number of enhancements. These include an improved jitter tolerant PLL design, new HSYNC filter and power down when the clock is inactive. All PanelLink products are designed on a scaleable CMOS architecture to support future performance requirements while maintaining the same logical interface.
Parametrics
SII141BCT80 absolute maixmum ratings: (1)VCC Supply Voltage 3.3V: -0.3 to 4.0 V; (2)VI Input Voltage: -0.3 to VCC+ 0.3 V; (3)VO Output Voltage: -0.3 to VCC+ 0.3 V; (4)TA Ambient Temperature (with power applied): -25 to 105 ℃; (5)TSTG Storage Temperature: -65 to 150 ℃; (6)θJA Thermal Resistance (Junction to Ambient): 45 ℃ /W.
Features
SII141BCT80 features: (1)Scaleable Bandwidth: 25-86 MHz (VGA to High Refresh XGA); (2)Low Power: 3.3V core operation & power-down mode; (3)Automatic power down when clock is inactive; (4)High Skew Tolerance: 1 full input clock cycle (15ns at 65 MHz); (5)Pin-compatible with SiI 101, SiI 141; (6)Sync Detect: for Plug & Display Hot Plugging Cable Distance Support: over 5m with twisted-pair, fiber-optics ready; (7)Compliant with DVI 1.0 (DVI is backwards compatible with VESA P&D and DFP).
Diagrams

![]()  | 
                            ![]() SiI1392  | 
                            ![]() Other  | 
                            ![]()  | 
                            ![]() Data Sheet  | 
                            ![]() Negotiable  | 
                            
                            	 | 
                      ||||
![]()  | 
                            ![]() SiI141B  | 
                            ![]() Other  | 
                            ![]()  | 
                            ![]() Data Sheet  | 
                            ![]() Negotiable  | 
                            
                            	 | 
                      ||||
![]()  | 
                            ![]() SiI150A  | 
                            ![]() Other  | 
                            ![]()  | 
                            ![]() Data Sheet  | 
                            ![]() Negotiable  | 
                            
                            	 | 
                      ||||
![]()  | 
                            ![]() SiI154  | 
                            ![]() Other  | 
                            ![]()  | 
                            ![]() Data Sheet  | 
                            ![]() Negotiable  | 
                            
                            	 | 
                      ||||
![]()  | 
                            ![]() SII161A  | 
                            ![]() Other  | 
                            ![]()  | 
                            ![]() Data Sheet  | 
                            ![]() Negotiable  | 
                            
                            	 | 
                      ||||
![]()  | 
                            ![]() SII164  | 
                            ![]() Other  | 
                            ![]()  | 
                            ![]() Data Sheet  | 
                            ![]() Negotiable  | 
                            
                            	 | 
                      ||||
 (China (Mainland)) 
                         
                        
                                    






