Product Summary
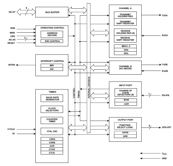
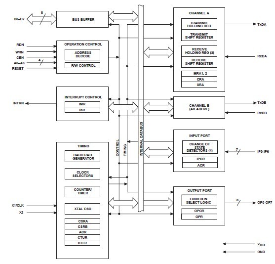
The SCN2681AC1N40 is a dual asynchronous receiver/transmitter. It is a single-chip MOS-LSI communications device that provides two independent full-duplex asynchronous receiver/transmitter channels in a single package. The SCN2681AC1N40 interfaces directly with microprocessors and may be used in a polled or interrupt driven system. Each receiver and transmitter can select its operating speed as one of eighteen fixed baud rates, a 16X clock derived from a programmable counter/timer, or an external 1X or 16X clock.
Parametrics
SCN2681AC1N40 absolute maximum ratings: (1)TSTG Storage temperature range: -65 to +150 ℃; (2)All voltages with respect to ground: -0.5 to +6.0 V.
Features
SCN2681AC1N40 features: (1)Dual full-duplex asynchronous receiver/transmitter; (2)Quadruple buffered receiver data registers; (3)Maximum data transfer: 1X -1MB/sec, 16X -125kB/sec; (4)Automatic wake-up mode for multidrop applications; (5)Start-end break interrupt/status; (6)Detects break which originates in the middle of a character; (7)On-chip crystal oscillator; (8)Single +5V power supply; (9)Commercial and industrial temperature ranges available; (10)DIP and PLCC packages.
Diagrams

![]() |
![]() SCN2681T |
![]() Other |
![]() |
![]() Data Sheet |
![]() Negotiable |
|
||||
![]() |
![]() SCN2681 |
![]() Other |
![]() |
![]() Data Sheet |
![]() Negotiable |
|
||||
![]() |
![]() SCN2674 |
![]() Other |
![]() |
![]() Data Sheet |
![]() Negotiable |
|
||||
![]() |
![]() SCN2661 |
![]() Other |
![]() |
![]() Data Sheet |
![]() Negotiable |
|
||||
![]() |
![]() SCN26562 |
![]() Other |
![]() |
![]() Data Sheet |
![]() Negotiable |
|
||||
![]() |
![]() SCN2652 |
![]() Other |
![]() |
![]() Data Sheet |
![]() Negotiable |
|
||||
(China (Mainland))








