Product Summary
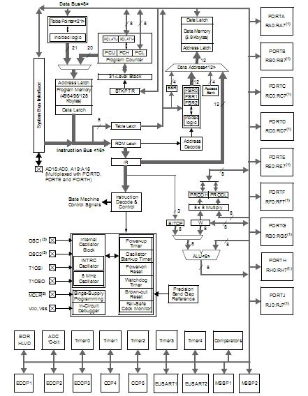
The PIC18F8722-I/PT is an Enhanced Flash Microcontroller. It offers the advantages of all PIC18 microcontrollers - namely, high computational performance at an economical price - with the addition of high-endurance, Enhanced Flash program memory. On top of these features, the PIC18F8722-I/PT introduces design enhancements that make these microcontrollers a logical choice for many high-performance, power sensitive applications.
Parametrics
PIC18F8722-I/PT absolute maximum ratings: (1)Ambient temperature under bias:-40℃ to +125℃; (2)Storage temperature:-65℃ to +150℃; (3)Voltage on any pin with respect to VSS (except VDD and MCLR):-0.3V to (VDD + 0.3V); (4)Voltage on VDD with respect to VSS:-0.3V to +7.5V; (5)Voltage on MCLR with respect to VSS:0V to +13.25V; (6)Total power dissipation:1.0W; (7)Maximum current out of VSS pin:300 mA; (8)Maximum current into VDD pin:250 mA; (9)Input clamp current, IIK (VI < 0 or VI > VDD):±20 mA; (10)Output clamp current, IOK (VO < 0 or VO > VDD):±20 mA; (11)Maximum output current sunk by any I/O pin:25 mA; (12)Maximum output current sourced by any I/O pin:25 mA; (13)Maximum current sunk by all ports:200mA; (14)Maximum current sourced by all ports:200 mA.
Features
PIC18F8722-I/PT features: (1)Run: CPU On, Peripherals On; (2)Idle: CPU Off, Peripherals On; (3)Sleep: CPU Off, Peripherals Off; (4)Ultra Low 50 nA Input Leakage; (5)Run mode Currents Down to 25 μA Typical; (6)Idle mode Currents Down to 6.8 μA Typical; (7)Sleep mode Current Down to 120 nA Typical; (8)Timer1 Oscillator: 900 nA, 32 kHz, 2V; (9)Watchdog Timer: 1.6 μA, 2V Typical; (10)Two-Speed Oscillator Start-up; (11)High-Current Sink/Source 25 mA/25 mA; (12)Three Programmable External Interrupts; (13)Four Input Change Interrupts; (14)C Compiler Optimized Architecture; (15)100,000 Erase/Write Cycle Enhanced Flash Program Memory Typical; (16)1,000,000 Erase/Write Cycle Data EEPROM Memory Typical; (17)Flash/Data EEPROM Retention: 100 Years Typical; (18)Self-Programmable under Software Control; (19)Priority Levels for Interrupts; (20)8 x 8 Single-Cycle Hardware Multiplier; (21)Extended Watchdog Timer (WDT):Programmable period from 4 ms to 131s; (22)Single-Supply 5V In-Circuit Serial Programming(ICSP) via Two Pins; (23)In-Circuit Debug (ICD) via Two Pins; (24)Wide Operating Voltage Range: 2.0V to 5.5V; (25)Programmable Brown-out Reset (BOR) with Software Enable Option.
Diagrams

| Image | Part No | Mfg | Description | ![]() |
Pricing (USD) |
Quantity | ||||||||||||
|---|---|---|---|---|---|---|---|---|---|---|---|---|---|---|---|---|---|---|
![]() |
![]() PIC18F8722-I/PT |
![]() Microchip Technology |
![]() 8-bit Microcontrollers (MCU) 128 KB FL 4K RAM 70 I/O |
![]() Data Sheet |
![]()
|
|
||||||||||||
| Image | Part No | Mfg | Description | ![]() |
Pricing (USD) |
Quantity | ||||||||||||
![]() |
![]() PIC1018SCL |
![]() Other |
![]() |
![]() Data Sheet |
![]() Negotiable |
|
||||||||||||
![]() |
![]() PIC10F200 |
![]() Other |
![]() |
![]() Data Sheet |
![]() Negotiable |
|
||||||||||||
![]() |
![]() PIC10F200-E/MC |
![]() Microchip Technology |
![]() 8-bit Microcontrollers (MCU) 384B Flash16B RAM 4 I/O |
![]() Data Sheet |
![]()
|
|
||||||||||||
![]() |
![]() PIC10F200-E/OT |
![]() Other |
![]() |
![]() Data Sheet |
![]() Negotiable |
|
||||||||||||
![]() |
![]() PIC10F200-E/P |
![]() Microchip Technology |
![]() 8-bit Microcontrollers (MCU) U 579-PIC10F200-I/P |
![]() Data Sheet |
![]() Negotiable |
|
||||||||||||
![]() |
![]() PIC10F200-I/MC |
![]() Microchip Technology |
![]() 8-bit Microcontrollers (MCU) 0.375KB Fl 16B RAM |
![]() Data Sheet |
![]()
|
|
||||||||||||
(China (Mainland))










