Product Summary
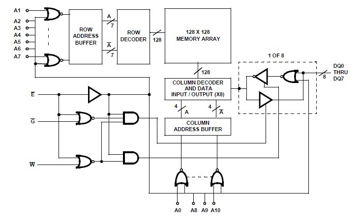
The HM1-65162-9 is a CMOS 2048 x 8 Static Random Access Memory manufactured using the Intersil Advanced SAJI V process. The device utilizes asynchronous circuit design for fast cycle time and ease of use. The HM1-65162-9 pinout is the JEDEC 24 pin DIP, and 32 pad 8-bit wide standard which allows easy memory board layouts flexible to accommodate a variety of industry standard PROMs, RAMs, ROMs and EPROMs. The HM1-65162-9 is ideally suited for use in microprocessor based systems with its 8-bit word length organization.
Parametrics
HM1-65162-9 absolute maixmum ratings: (1)Supply Voltage: +7.0V; (2)Input, Output or I/O Voltage: GND -0.3V to VCC +0.3V; (3)Typical Derating Factor: 05mA/MHz Increase in ICCOP; (4)ESD Classification: Class 1.
Features
HM1-65162-9 features: (1)Fast Access Time: 70/90ns Max; (2)Low Standby Current: 50μA Max; (3)Low Operating Current: 70mA Max; (4)Data Retention at 2.0V: 20μA Max; (5)TTL Compatible Inputs and Outputs; (6)JEDEC Approved Pinout (2716, 6116 Type); (7)No Clocks or Strobes Required; (8)Equal Cycle and Access Time; (9)Single 5V Supply; (10)Gated Inputs; (11)No Pull-Up or Pull-Down Resistors Required.
Diagrams

![]() |
![]() HM1-65642-9 |
![]() Intersil |
![]() IC RAM 8192X8 5V 150NS 28-DIP |
![]() Data Sheet |
![]() Negotiable |
|
||||||
![]() |
![]() HM1-5067 |
![]() FCI |
![]() Hard Metric Connectors 5X24 PFMS VER INS TOOL |
![]() Data Sheet |
![]()
|
|
||||||
(China (Mainland))








